Still Design: Time to share some thoughts

We are planning for a set of five 5000 litre pot stills dedicated to making whisky. This should give us the flexibility to grow production in the future as demand requires. This beautiful coloured technical drawings show the classic shape of the famous Glenmorangie stills.

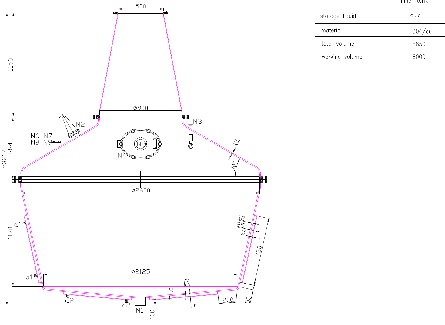
There will be 100% copper contact in the vapour path. The pot sides and bottoms are specified to be constructed from 12mm copper plate and the necks and arm pipe in 5mm copper plate. Each still will weigh in at over 2500kgs.

glenmordistillery.0.jpg

Made of many parts

All the component parts will be flanged together. The flanging has three main purposes; one is to give us flexibility in construction and transport. Another is to allow us to cost out the parts item by item. The lastly and most important in our minds is the ability modify and maintain the stills as time goes by.

These drawings are still in there early stages of development. But your feedback is most welcome. The drawings have not gone to the steam furness consultants for them to specify the the heating requirements yet. So there are a few details that are plainly wrong.

Screenshot-2016-10-08-12.09.04.png

Inclined Swan Neck #1

Our plan is to have all the stainless steel flanges fabrication by one supplier. Then I will know everything will be matching fit from the beginning. The copper-smithing work will be fitted to the flanges by the manufacturer making that particular part. The manufacturer making the domed pot lid doesn’t have to be the same manufacturer who will be making the pot bottom and sides, etc.

The pot will be 2600mm diameter. This image is the closest example of what I expect the finished pot to look like. (I think this is a half finished Carl still)

Coburns_picnicongrass-1200x350-5.jpg

Heating

We have made the decision to go with a steam heating the distillery. There are a lot of practical reasons for steam. First is steam has a high efficiency. Steam can be created from a few fuel types including the use of an enviro furness. We will look at heat recovery options as the budget permits as well. For the pot we are tossing up between jacketed or tube heating or mixture of both. We are looking for high level of temperature control for managing slow distillations.

Lucy Mitchell